苏州汉测测量设备有限公司

行业百科
在机测量系统机匣高效复合加工技术应用
来源: 时间:2022-10-12
针对目前在航空发动机铝镁机匣加工中存在的问题,采用铣车复合技术对加工路线和切削参数进行了重构和优化,改进了机匣关键零件的加工策略,采用复合专用刀具等高效加工方法创新了零件的装夹方式,使铝镁机匣的加工效率提高了3 ~ 5倍。通过应用在机自动测量、自动补偿、自动对准和刀具寿命监控等新技术,在保证关键和重要尺寸精度的同时,有效监控加工过程中的加工状态,提高工艺稳定性。为后续建设自动化高效复合加工生产机组进行了前期技术研究和技术储备,有望为新一代航空发动机铝镁机匣加工探索出一条新路。

01
前言

镁机匣是航空发动机的重要部件,主要接受发动机取力器、滑油系统和发动机外部部件[1]。尺寸大,结构复杂,内部铸造油路多,尺寸精度高。由于结构的特殊性,其加工工艺复杂,加工流程长;加工方法传统,切割方法有待改进,切割效率不高;传统刀具质量不稳定,重复装夹误差大,手工攻丝涉及内容多,容易造成质量问题。这些因素导致目前铝镁壳体加工周期长、切削效率低、质量稳定性差。

新一代航空发动机的制造精度越来越高,要求的制造技术也在不断升级。它正在从手工操作、机械化、数控化向自动化、柔性化、智能化的单元制造技术转变。这种单元制造技术具有自动对准、自动对刀、自动测量、自动补偿、刀具管理和监控等功能。刀库中的刀具可以共享,加工程序可以单独调用,在更换零件或工艺时可以实现自动生产调度和连续加工,满足典型铝镁壳体高效复合加工的要求。

02
套管高效复合加工技术的应用研究

2.1套管高效复合加工工艺流程再造

目前铝镁壳体的加工路线分为粗加工、半精加工和精加工[2];按加工设备可分为数控车床加工、数控立式加工中心加工、数控四轴机加工、数控五轴机加工、钳子修理等工序,其特点是加工工序多、使用设备多、生产周期长。图1和图2显示了典型零件的原始加工过程,即铝镁外壳1和铝镁外壳2。

如何重构工艺流程,减少加工工序,缩短生产周期是本研究的首要任务。经过研究分析,需要的条件是:①比较先进的设备。②需要分析试验过程的集中生产方式是否能满足质量要求。③要创新现有工件的装夹技术。

(1)加工设备选型研究选用高精度铣床复合五轴加工中心,可实现车削和五轴铣削的复合加工。它采用了高速高精度的SHK100刀柄。机床的主轴、床身、切削液都配有恒温冷却装置,可以实时检测和补偿温度。主轴最大转速12000 r/min,定位精度0.006mm,重复定位精度0.003 mm,刀库容量200,可自动交换8个工作台。可与MES连接,实现订单式生产过程的控制,是单一工艺流程或多工序多品种混流生产的单一柔性复合制造单元。

(2)集中工艺生产模式优缺点分析集中工艺的优点:(1)有利于采用高效的专用设备和数控机床,提高生产效率,减少工序数量,缩短工艺路线,简化生产计划和生产组织。②可以减少机床数量、操作人员数量和占地面积。③可以减少工件的装夹次数,既保证了加工表面的相互位置精度,又减少了夹具数量,缩短了装夹工件的辅助时间。

集中式工艺的缺点:专用设备和工艺设备投资大,调整维护麻烦,生产准备、调试、加工周期长。如果使用特殊设备,不利于生产转化。

随着现代数控技术的发展,特别是复合加工中心的应用,加工路线的安排趋向于工序集中。单件批量、多品种生产时,更适合采用工序集中的复合加工和柔性生产方式。

(3)套管装夹方式的创新在原来的工艺路线中,数控立式车床加工和五轴机床加工工序需要独立进行,分别使用不同的夹具,现在采用铣车复合加工,集中工序的加工内容。原有的夹具会干扰现有的加工内容,因此有必要对夹具进行创新设计。主要方法如下。

1)将原来的单侧两孔定位改为单侧三孔定位。单面三孔定位限制了工件的六个自由度,具有定位精度高、稳定可靠的优点。需要注意的问题是,单面三孔定位是过定位,对夹具制造精度和零件定位孔的加工精度要求非常高。比如优化后,典型铝镁套管1的第一道工序——铣车复合机床加工的3×φ6mm定位孔和第三道工序——铣车复合机床加工的3×φ7.9mm定位孔的定位度都控制在0.015mm以内,两端面的平面度和平行度可以达到0.01mm,完全可以满足过定位夹紧方式,尤其是第四道工序——铣车复合机床完成车削时。

2)将原来的上端面压装和侧凸台压装改为仅面压装,通过工艺螺栓孔反拉固定夹紧件。如图3所示,螺栓采用后拉固定,压在底部毛坯的刚性部分,消除了零件的压制变形误差,解决了加工过程中夹具压板与螺栓的干涉问题。

通过加工实验,重构了加工工艺路线,使用了铣床结合五轴加工单元。加工过程分为四个工序:零件正反两面两次粗加工和正反两面两次精加工,有效简化了加工过程。同时,利用现有设备的新功能和加工工艺的创新,将原有的手工攻丝、钳工刮削等内容转化为数控加工。

2.2套管高效复合加工质量控制新技术

在原有的机壳数控加工过程中,零件的工序质量控制模式是每批零件、每道工序的首件必须通过三坐标检验,并满足首件的二次检验,才能向下加工。一般测量等待时间> 2h,导致零件生产中断,设备停机等待。现在通过在机在线测量和补偿加工技术,可以检测和控制过程中的关键和重要尺寸,取消每道工序的首件测量要求。只需在所有铣车复合工序完成后对工件进行全尺寸三坐标测量检测,有效减少了工序间测量的等待时间。

(1)机测技术在肠衣加工中的应用如下。

1)优化实时在线测量技术,确保关键重要尺寸的精度。现有的铣车复合五轴加工中心设备自带在机测量功能,可实现工序加工中的尺寸控制和补偿,缩短数控加工中工件的对准时间,提高装夹加工效率和产品合格率,为加工的数字化、自动化和智能化提供有力支撑。

重点是零件的关键和重要尺寸要在所有粗加工和半精加工后进行精加工。由于工序集中,加工时间长,零件的应力得到有效释放后,可以完成关键和重要的尺寸,并获得良好的几何尺寸精度。在实施过程中,需要注意的是:首先,零件要自动清洗干净;测量前,必须重新校准探头,然后进行零件的尺寸和工件的零点对准。零件的最终精切参数应与试切一致;同时,在判断测量结果时,设置允许误差值改变的公差范围。如果超出公差范围,系统将自动报警,以确保测量系统的可靠性。

2)实时对准工件原点,避免机床热变形误差。受机床自身结构、工作温度和环境温度的影响,从早到晚8小时内一般可出现0.03~0.06mm的热变形误差,主要影响Y轴和Z轴的位置精度。如果处理不当,会直接造成零件超差。

具体的改进方法是在零件各加工工序的夹具上设置一个基准面。在线测量系统在使用前,对测头进行实时标定,然后对基准测量进行对准和补偿,从而对机床热变形误差和测量系统误差进行判别和调整。机床停机2h以上,零件加工前应运行预热程序15min,以保证机床主轴和床身处于热平衡和热稳定状态。

(2)刀具寿命和状态管理如下。

刀具寿命控制主要通过机床系统的刀具寿命管理功能来实现。每个刀具都可以设置切割控制时间和报警提示时间。在加工过程中,系统会自动记录刀具的切削时间。当切削时间达到下限报警值时,系统将发出换刀报警。如果不及时更换刀具,刀具将被禁用,加工将停止。

1)自动工具设置和损坏监控。设备的刀库自带内外红外对刀系统,可以用标准刀自动校准。在使用刀具之前,可以根据需要在机器中进行自动刀具设置。切割完成后,回到刀库后可以进行机外对刀。当工具的直径和长度数据超过设定值时,设备会报警,表示工具有问题。如果小尺寸刀具在加工过程中发生断裂,在放回刀库时会发出报警,并对刀具装置进行测试,以确保加工过程受控。工具监控过程如图5所示。

2)自适应切割功率监控。功率监控系统可以使用功率监控器来记录和学习加工过程中每个刀具的最大吸收值。主轴旋转后,在切削程序段(G1、G2或G3)前,插入功率监控指令PWM(50,2),以监控加工过程中异常情况下的切削功率。PWM (50,2)的含义是主轴吸收值的50%对应的最大功率阈值,干预延迟为0.2s。

2.3套管高效加工中切削效率的优化提升方案

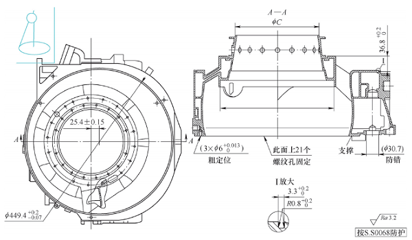
(1)铣削代替车削端面上的偏心槽。铝镁套管1端面有一个φ449.4mm的偏心环槽,如图6所示。一般加工工艺是数控车削,但圆槽中心与零件旋转中心不重合,且有25.4mm的偏心尺寸,数控车床在加工前需要重新对准25.4mm的夹具偏心孔,这是单次数控车削工艺。使用铣车复合设备时,可以用铣削代替数控车削,使用五轴定向加工指令可以使坐标系移动25.4mm。铣槽时零件不旋转,工作台不会产生离心力。利用小铣刀的高速旋转,其加工效率是数控车削的两倍,而且不需要重新装夹找正夹具和零件。

(2)用铣削代替粗车如图6-A所示,毛坯小端φC处的加工余量较大,一般用车削去除余量。但由于零件大,零件旋转时离心力大,导致切割效率低,加工时间长。用高速高效的铣刀代替粗车,再用车刀精车到最终尺寸,零件切削时间可减少1h,减少75.6%。

(3)刀具的选择与改进在航空机匣的高效数控加工中,刀具的选择直接影响零件的加工质量和效率。选择刀具时,主要考虑刀具的切削性能、可靠性和加工精度[3]。

1)三刃钻头在螺纹底孔和螺栓孔加工中的应用。三叶整体合金钻头属于中型硬质合金钻头。在螺纹底孔和螺栓孔的加工中,可以用三刃钻代替原来的中心钻、钻头和镗刀。加工效率比麻花钻高3 ~ 5倍,孔径尺寸稳定,位置和垂直度好。其主要特点:①与双刃麻花钻相比,钻芯更厚,强度更高,从而弥补了硬质合金韧性差的弱点。②刀尖前端形成特殊形状,切削时可自动对中,无需加工中心孔。③切削刃多,对中好,每转进给量可提高2 ~ 3倍,可进行高速切削,大大缩短加工时间。④加工精度高,尺寸精度可达H7,位置精度可提高一倍。⑤刀具寿命长,对合金钢、铸铁、铝合金的加工可分别提高1 ~ 2倍。⑥切削刃多,钻头居中好,适合加工孔深为直径3 ~ 4倍的孔。

2)铝镁合金专用铣刀和复合刀具的应用。采用铝镁合金专用铣刀,实现壳体的高速、高效、高质量加工。铣刀一般采用0.6μm超细高速钢材料,热处理淬火后硬度为58HRC。它具有很高的耐磨性和强度,属于高硬度高速切削铣刀。一般刀具设计为三刀片,35°螺旋角,双刀带+圆韧带,超大容量排屑槽,排屑更顺畅,刀刃耐用锋利,切削力小,尺寸控制好。

将同一位置多尺寸阶梯孔加工中使用的中心钻、钻头、埋钻、镗刀和倒圆、倒角等工具组合设计成复合刀具,多组尺寸一次性加工到位。比如用60、90、120三种倒角刀代替原来固定尺寸的专用倒角刀,倒角尺寸和毛刺采用埋孔和高速铣削加工,有效减少了刀具数量、换刀时间和钳工工作量。

(4)优化和改进数控攻丝技术,代替钳工手工攻丝。本研究中,所有螺纹均采用数控攻丝完成,有效地替代了钳工手工攻丝,提高了螺纹的加工精度和生产效率。由于数控攻丝螺纹超差补救措施少,容易造成整个套管报废。螺纹超差分析主要包括丝锥断裂引起的螺纹断裂超差、主轴转速与进给同步误差过大引起的螺纹尺寸超差、丝锥跳动过大、攻丝时丝锥位置与底孔位置同轴度不好等。尤其是中径公差只有0.03 ~ 0.05 mm的AJ螺纹,加工难度更大,解决方法如下。

1)优化攻丝程序。所用设备的数控系统是西门子840D sl,其中CYCLE84攻丝指令中有很多详细的功能选项,有很好的保护功能,防止丝锥折断和螺纹尺寸超差。主要功能有:①主轴定位准停功能。它可以实现对一个螺纹孔多次重复攻丝,不会出现乱牙。②前馈控制功能(FFWON)。它能使攻丝过程中的动作连续而平稳。③加速优化功能。能有效降低攻丝时的冲击力,防止丝锥瞬间切削力增大而导致丝锥断裂。④暂停底部的延迟功能。在退刀过程中,当主轴反转时,80%的丝锥断裂。通过预控、加速、加速功能的使用,丝锥加工到底部时会准确停止,然后缓慢启动,平稳退刀,可有效避免主轴反转时瞬间扭矩增大,减少退刀惯性。

2)使用微型柔性攻丝刀柄。柔性攻丝刀柄在轴向和径向分别有0.5毫米和0.2毫米的浮动变化量,既能获得良好的螺纹位置和尺寸精度,又能缓冲和抵消各种伺服误差和瞬时扭矩的增加,从而起到保护丝锥和提高螺纹精度的作用。

03
结束语

本文通过采用铣车复合技术重构优化工艺路线,采用在线测量技术,改进原壳体刀具,利用设备的刀具管理功能监控刀具寿命,创新零件装夹方式,全面提升铝镁壳体加工质量,铝镁壳体加工周期整体缩短50%,切削效率提高60%以上,质量稳定性进一步提高。

通过在机自动测量、自动补偿、自动对刀、刀具寿命监控等新技术的应用,以及切削方式、加工刀具、装夹方式的改进和优化,实现了铝镁壳体的高效复合加工,为类似加工提供了一定的参考方法。

2


部分来源自: 金属加工,仅做学习用,如有侵权联系删除。

相关资讯